RM-200M là micro chọn vùng từ xa trong hệ thống VM-2000, VM-3000 và FV-200 và chúng tôi sẽ giới thiệu bạn chi tiết chức năng và cách thức hoạt động của các phím, cổng trên RM-200M

Đặc điểm chỉnh của RM-200M
RM-200M có các đặc điểm chính như sau:
RM-200M là bàn gọi chính, gồm 1 phím khẩn cấp (có lắp che), 3 phím chức năng (tuỳ hệ thống) và 10 phím gọi chọn vùng, nhóm vùng hoặc kích hoạt chức năng
Có thể kết hợp với bàn phím mở rộng RM-210 để mở rộng thêm phím chọn vùng, nhóm vùng hoặc kích hoạt chức năng
Các thiết bị tương thích: FV-200RF-AS (trong hệ FV-200); VM-2120, VM-2240 (trong hệ thống VM-2000); VM-3240VA, VM-3360VA (trong hệ thống VM-3000).
Phím Talk (có hai chế độ: Ấn và giữ thông báo hoặc Ấn để thông báo, Ấn lại để tắt - Cài đặt switch bên cạnh RM-200M).
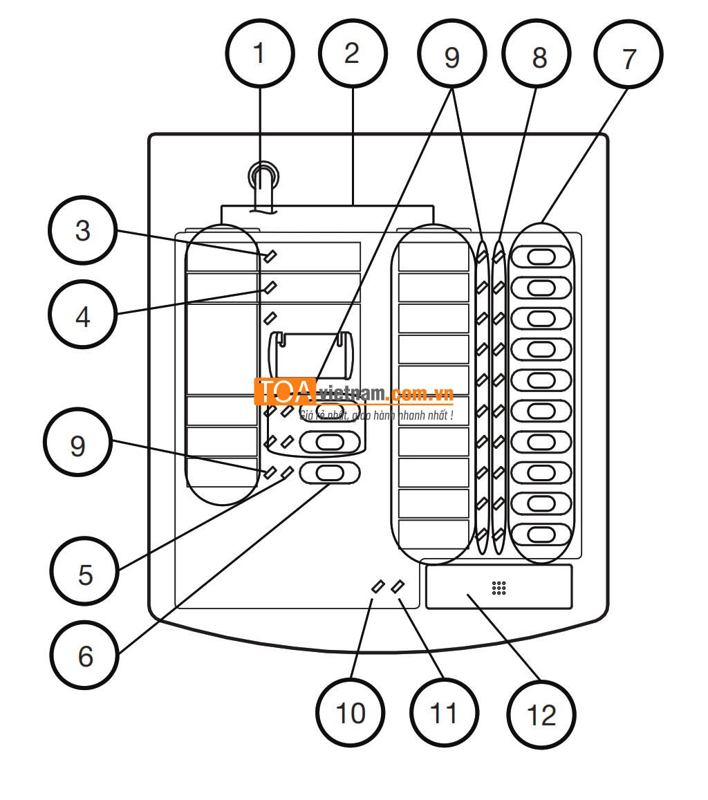
Các phím chức năng trên RM-200M
Các phím sau mô tả chức năng trên hệ thống FV-200 nên nếu bạn dùng cho hệ VM-2000 hoặc VM-3000 vui lòng đọc trong tài liệu

(1): Microphone cổ ngỗng - sử dụng khi thông báo
(2): Khu vực ghi nhãn - ghi tên Zones, chức năng các phím, in ra giấy và đút vào khe
(3): Đèn báo nguồn: Sáng xanh khi có nguồn
(4): Đèn báo lỗi hệ thống, chớp vàng nếu hệ thống có vấn đề
(5)-(6): Nút và đèn gọi all-zone
(7): Phím chọn zones
(8): Đèn báo trạng thái của phím (7)
(9): không sử dụng trong hệ FV-200
(10): Đèn báo bận, sáng vàng khi khu vực cần thông báo đang bận
(11): Micro RM-200 đang trong trạng thái thông báo
(12): Phím ấn để nói (có hai chế độ: Ấn và giữ để nói, Ấn nói-ấn lại tắt - Cài đặt switch bên cạnh)

(13): Nguồn vào điện - nếu kéo xa cần bổ sung thêm nguồn AD-246 còn thông thường (<150m), RM-200M sẽ sử dụng nguồn từ bộ trung tâm kết nối
(14): Cổng kết nối, dạng loop
(15): Chỉnh âm lượng MIC
(16): Ngõ vào kết nối MIC bên ngoài

(17): Cổng kết nối với RM-210 để mở rộng bàn phím
(18): Switch cài đặt chức năng cho micro RM-200M (Với mỗi hệ sẽ có cài đặt khác nhau, vui lòng tra trong manual)

67 Trần Hưng Đạo, P. Cửa Nam, Hà Nội291A Đường Ung Văn Khiêm, Phường Thạnh Mỹ Tây, Hỗ Chí Minh
SẢN PHẨM TOA 2026
